香港宝典免费大全
咨询电话
0755-8299 4126

个人消费类电子

雾化器电机驱动设计


随着全球气候变暖及空气污染的日益严重,一系列的肺部疾病也随之爆发,针对肺部疾病,雾化治疗是国际公认的治疗效果最好的方式之一,所谓雾化治疗是雾化器将药物进行雾化后使人吸入体内,直接进入呼吸道、肺部等靶器官,比普通口服药物见效更快、用药更少。因此,这种治疗方式被各大医院广泛采用。

为了具有更好的治疗效果,使用不同的药液对不同的用户进行雾化治疗时,最好能根据药液的特性以及患者的呼吸速度等配合使用不同雾化强度的雾化器,但是,现有技术的雾化器中存在者不能进行雾化强度的调整,或者仅具有有限的运行档位,雾化强度的可选择范围较小的缺点。

基于STM32单片机的压缩雾化器在雾化强度和速度等参数等方面进行了较大的优化,我们可以通过按键设置进行实时的对其进行较大范围的调整。

除此之外,电控单元的使用还可以让此款压缩雾化器增加显示、报警等一些其他辅助功能。使用户能够更加快捷、有效的实现对压缩雾化器的使用。

一、雾化器的整体框图设计

为了提高系统的可靠性、稳定性及可维护性,该设计选用模块化思想对硬件电路进行设计。单片机模块是该雾化器设计的核心部分,主要是由STM32单片机最小系统和其他硬件电路构成电控单元,此模块的主要是:(1)产生PWM调制波形,并将其作为控制信号输送至电机驱动模块。(2)处理来自按键模块等的信号,并将相应的显示信息发送至显示模块。

二、雾化器的电机驱动模块

电机驱动模块的主要功能是将STM32单片机产生的PWM调制信号进行隔离、并且对其功率进行放大。使之能够稳定的驱动压缩电机,并能保证压缩电机的正常工作。电机驱动模块功能如下:

(1)输出功率达到30W左右,可以驱动大功率压缩电机。(2)驱动电路的效率高,能够节省电源,而且也能减少驱动电路的热量散发。(3)驱动电路对其输入端有良好的信号隔离效果。(4)电机驱动电路无论加上何种控制信号、何种无源负载都是安全的。

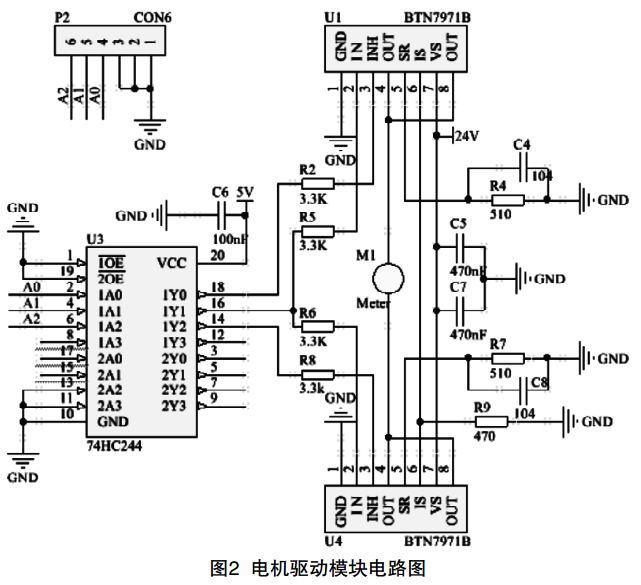
此模块采用BTN7971B芯片搭成H桥来驱动电机,电路相对复杂,但是两片BTN7971B芯片搭载的H桥驱动能力强悍,电流输出大约为68A,并且具有调速稳定、导通电阻小、性能损耗低等优点。采用74HC244八路正相缓冲器/线路驱动器对电路进行隔离控制,以此来保护主控芯片。其工作真值表如表1。其电路图如图2所示。

表1 雾化器驱动板工作模式真值表

图2 雾化器电机驱动模块电路图


三、雾化器电机驱动系统的软件设计

由STM32单片机产生的PWM波是控制压缩电机运转的核心;使用按键模块来实现对PWM波脉宽的调制可以改变压缩电机的转速,从而改变雾化程度;按键模块还具有选择设置用户信息等功能。

结语

经测试,此电机驱动电路能够输出约30W左右的功率,完全能达到稳定驱动大功率电机的目的;故利用此设计的原理可生产出更加符合市场需求的压缩雾化器。另外,STM32单片机能支持32位广泛的应用,具有强大的功能;使得此款压缩雾化器在日后的生产生活中具有很好的可塑性和可开发性,我们可以根据用户的不同需求对雾化器进行相应的升级;近年来,雾化器越来越普及,希望本文能对未来雾化器的发展起到一定的帮助。

以上就是我们香港宝典免费大全为您介绍的雾化器电机驱动的设计开发示例。如果您有医用雾化器方案开发需求,可以放心交给我们。我们代理多种单片机、语音芯片、双模蓝牙IC、wifi芯片。品牌有松翰单片机、应广单片机、杰理蓝牙、安凯蓝牙、全志、瑞昱(realtek)。我们的技术服务范围有:PCB设计、单片机开发、蓝牙方案、软硬件定制开发、APP开发、小程序开发、微信公众号开发等。还可以承接智能电子产品方案设计、生活电器开发、美容仪器研发、物联网平台应用、智能家居控制系统、TWS耳机、蓝牙耳机音箱开发、儿童益智玩具方案开发、电子教育产品方案设计等。

  • 返回顶部